Page top
Industrial Automation
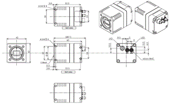
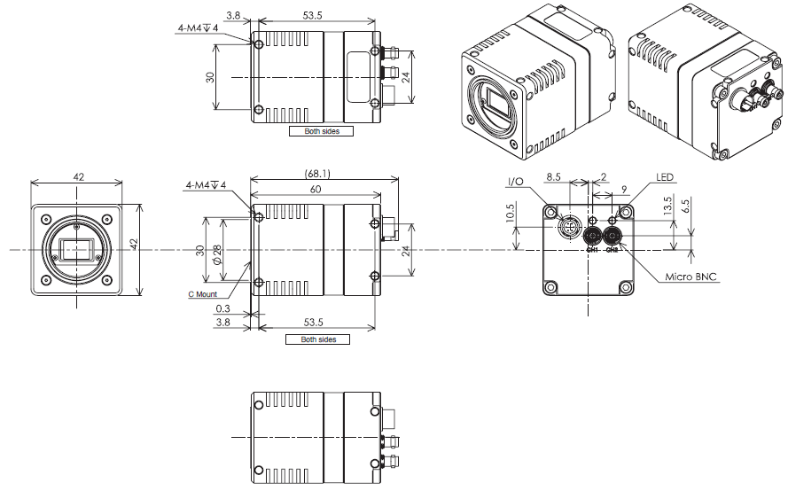
RGB Prism Spectroscopic 3CMOS Camera
Related Contents
last update: October 1, 2024
(Unit: mm)