Page top

Industrial Automation

Industrial Automation

Discontinued On Mar. 2023

H7AN

Digital Counter (DIN 72 × 72)

H7AN

A DIN 72 x 72 mm Best-selling Counter

* Information in this page is a reference that you created on the basis of information in the product catalog before the end of production, may be different from the current situation, such as goods for / supported standards options / price / features of the product. Before using, please check the compatibility and safety system.

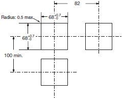
(Unit: mm)

H7AN

H7AN Dimensions 1

Note: 1. The panel cutouts for the H7AN are as shown (according to DIN437000).
         2. The recommended mounting panel thickness is from 1 to 5 mm.
         3. Use the mounting bracket (sold together) to mount the digital counter.
             Use model number Y92H-5 (2 pcs) to order additional brackets.

Panel Cutouts

H7AN Dimensions 2

(When N units are flush-mounted horizontally.)

H7AN Dimensions 3

(n-1) × 72 + 70 min. (including a tolerance of 2 mm)