Page top

Industrial Automation

Industrial Automation

WL

Two-circuit Limit Switch

WL

Wide Range of Two-circuit Switches; Select One for the Operating Environment/Application WL/Basic models

(Unit: mm)

General-purpose Models

Standard Models

Basic

Rotating Lever

For all models WL[] indicates a standard-load model and WL01[] indicates a microload model.

Roller lever R38
WLCA2
WL01CA2

WL Dimensions 5

Roller lever R50
WLCA2-7
WL01CA2-7

WL Dimensions 6

Roller lever R63
WLCA2-8
WL01CA2-8

WL Dimensions 7

Adjustable Roller Lever
WLCA12
WL01CA12

WL Dimensions 8

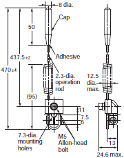
Adjustable Rod Lever (25 to 140 mm)
WLCL
WL01CL

WL Dimensions 9

Fork Lock Lever
WLCA32-41 to 44
WL01CA32-41 to 44

WL Dimensions 10

Note: Unless otherwise indicated, a tolerance of ±0.4 mm applies to all dimensions.

WL Dimensions 12

Plunger

For all models WL[] indicates a standard-load model and WL01[] indicates a microload model.

Top Plunger
WLD
WL01D

WL Dimensions 14

Horizontal Plunger
WLSD
WL01SD

WL Dimensions 15

Top-roller Plunger
WLD2
WL01D2

WL Dimensions 16

Horizontal-roller Plunger
WLSD2
WL01SD2

WL Dimensions 17

Top-ball Plunger
WLD3
WL01D3

WL Dimensions 18

Horizontal-ball Plunger
WLSD3
WL01SD3

WL Dimensions 19

Sealed Top-roller Plunger
WLD28
WL01D28

WL Dimensions 20

Note: Unless otherwise indicated, a tolerance of ±0.4 mm applies to all dimensions.

WL Dimensions 22

Flexible Rod

For all models WL[] indicates a standard-load model and WL01[] indicates a microload model.

Coil Spring
WLNJ
WL01NJ

WL Dimensions 24

Coil Spring (Multi-wire)
WLNJ-30
WL01NJ-30

WL Dimensions 25

Coil Spring (Resin Rod)
WLNJ-2
WL01NJ-2

WL Dimensions 26

Steel Wire
WLNJ-S2
WL01NJ-S2

WL Dimensions 27

Note: Unless otherwise indicated, a tolerance of ±0.4 mm applies to all dimensions.

WL Dimensions 29

Overtravel

General-purpose Models

For all models WL[] indicates a standard-load model and WL01[] indicates a microload model.

Roller Lever R38
WLH2
WL01H2

WL Dimensions 32

Adjustable Rod Lever
WLHL
WL01HL

WL Dimensions 33

Adjustable Roller Lever
WLH12
WL01H12

WL Dimensions 34

Adjustable Rod Lever
WLHAL4
WL01HAL4

WL Dimensions 35

Rod Spring Lever
WLHAL5
WL01HAL5

WL Dimensions 36

Note: Unless otherwise indicated, a tolerance of ±0.4 mm applies to all dimensions.

WL Dimensions 38

Note: With WLHAL4, WL01HAL4, WLHAL5, and WL01HAL5, the actuator's tare is large, so depending on the installation
         direction, they may not be properly reset.
         Always install so that the actuator is facing downwards.
*1. The operating characteristics of WLH12, and WL01HL12 are measured at the lever length of 38 mm.
*2. The operating characteristics of WLHL, and WL01HL are measured at the rod length of 140 mm.
*3. The operating characteristics of WLHAL4, and WL01HAL4 are measured at the rod length of 380 mm.

OF and RF for WLH12 and WL01H12, with a lever length of 89 mm.

WL Dimensions 39

Side-installation Models

For all models WL[] indicates a standard-load model and WL01[] indicates a microload model.

Roller Lever
WLCA2-2N
WL01CA2-2N

WL Dimensions 41

Roller Lever
WLCA2-2
WL01CA2-2

WL Dimensions 42

Adjustable Roller Lever
WLCA12-2N
WL01CA12-2N

WL Dimensions 43

Adjustable Roller Lever
WLCA12-2
WL01CA12-2

WL Dimensions 44

Adjustable Rod Lever
WLCL-2N
WL01CL-2N

WL Dimensions 45

Adjustable Rod Lever
WLCL-2
WL01CL-2

WL Dimensions 46

Note: Unless otherwise indicated, a tolerance of ±0.4 mm applies to all dimensions.

WL Dimensions 48

OF and RF for WLCA12-2N and WL01CA12-2N, with a lever length of 89 mm.

WL Dimensions 49

Sensor I/O Connector Switches

Direct-wired Connector/Pre-wired Connector Models

Refer to Data Sheet for the connecting cable.

Roller Lever Plungers

WL[] are Standard Models and WL01[] are Microload Models.

Standard Models (WLCA2), Overtravel General-purpose Models (WLH2)

Connector Models

WL Dimensions 54

Pre-wired Connector Models

WL Dimensions 55

Note: 1. Unless otherwise indicated, a tolerance of ±0.4 mm applies to all dimensions.
         2. The models with operation indicators are shown in the above diagrams.

WL Dimensions 57

Top-roller Plunger (WLD2)

Direct-wired Connector Models

WL Dimensions 59

Pre-wired Connector Models

WL Dimensions 60

Note: 1. Unless otherwise indicated, a tolerance of ±0.4 mm applies to all dimensions.
          2. The following diagrams are for a indicator-equipped models.

WL Dimensions 62

Indicator-equipped Models

Roller Lever
WLCA2-LE/LD
WL01CA2-LE/LD

WL Dimensions 64

Note: Unless otherwise indicated, a tolerance of ±0.4 mm applies to all dimensions.

WL Dimensions 66

Spatter-prevention Models

Roller Lever (Screw Terminals)
WLCA2-[]S/WL01[]-[]S
WLH2-[]S

WL Dimensions 68

Roller Lever (Pre-wired connectors)
WLCA2-[]S-M1J*/WL01[]-[]S-M1J*
WLH2-[]S-M1J*

* External dimensions are the same even for different core wires.

WL Dimensions 69

Sealed Top-roller Plunger (Screw Terminals)
WLD28-[]S

WL Dimensions 70

Sealed Top-roller Plunger (Pre-wired connectors)
WLD28-[]S-M1J*

* External dimensions are the same even for different core wires.

WL Dimensions 71

Note: Unless otherwise indicated, a tolerance of ±0.4 mm applies to all dimensions.

WL Dimensions 73

Long-life Models

Rotating Lever Models

Roller Lever (Screw Terminals)
WLM[]-LD

WL Dimensions 76

Roller Lever (Direct-wired Connectors)
WLM[]-LD[]

WL Dimensions 77

Roller Lever (Pre-wired Connectors)
WLM[]-LD[]

WL Dimensions 78

Note: Unless otherwise indicated, a tolerance of ±0.4 mm applies to all dimensions.

WL Dimensions 80

Actuators (Levers Only)

Lever: Only rotating lever models are illustrated.

WL-1A100
Standard Lever

WL Dimensions 83

WL-1A115
Resin Roller

WL Dimensions 84

WL-1A400
Bearing Roller

WL Dimensions 86

WL-1A118
Nylon Roller:
Roller Width: 30 mm

WL Dimensions 87

WL-1A105
Double Nuts

WL Dimensions 89

WL-1A103S
Spatter Prevention

WL Dimensions 90

WL-1A200
Lever Length: 50
Roller Width: 15

WL Dimensions 92

WL-1A300
Lever Length: 63

WL Dimensions 93

WL-2A100

WL Dimensions 95

WL-2A111
Resin Roller

WL Dimensions 96

WL-2A107
Double Nuts

WL Dimensions 98

WL-2A108
Resin Roller

WL Dimensions 99

WL-2A122

WL Dimensions 101

WL-2A106

WL Dimensions 102

WL-2A130

WL Dimensions 104

WL-2A104

WL Dimensions 105

WL-2A110

WL Dimensions 107

WL-2A105

WL Dimensions 108

WL-1A106

WL Dimensions 110

WL-1A110

WL Dimensions 111

WL-4A100

WL Dimensions 113

WL-4A201

WL Dimensions 114

WL-3A100

WL Dimensions 116

WL-3A106
Double Nut

WL Dimensions 117

WL-3A108

WL Dimensions 119

WL-3A200

WL Dimensions 120

WL-3A203

WL Dimensions 122

WL-4A112

WL Dimensions 123

WL-2A129

WL Dimensions 125

WL-5A101
WL-5A100 has a plastic roller

WL Dimensions 126

WL-5A103
WL-5A102 has a plastic roller

WL Dimensions 128

WL-5A105
WL-5A104 has a plastic roller

WL Dimensions 129

Note: 1. Unless otherwise indicated, a tolerance of ±0.4 mm applies to all dimensions.
         2. When using the adjustable roller (rod) lever, make sure that the lever is facing downwards. Use caution,
             as telegraphing (the Switch turns ON and OFF repeatedly due to inertia) may occur.